
阀体
公称通径50-400
公压力:PN1.0,1.6,2.5NPa
连接形式:法兰连接
材料:H200Z6251Z6ICr18Ni9ZG0Cr17Ni12NO2 村四氟
介质温度:常温型:-20C+200°C散热型:-40C+450"C
适用介质:淡水、海水、食品、无然气、醇类、盐类、酸、碱、油、蒸汽、空气等
产品概述
电动中线缓是由阀与HFa系列执行机构配套,输入控制信号(4-20mA或1-5VDC)及单相电源即可控制运转,电动具有功能强、体积小、直人,性能可靠、配简单、通能力大,电动特別是适台于介质是粘、含颗粒、纤维性质的场台。目前该电动调节广泛应用于食品保、轻工、石油、造纸、化工、教学和科研音、电力等行业的工业自动控制系统中。
阀内组件可选材料:
| 主要零件部分 | 材质 | 适用规格 | 主要零件部分 | 材质 | 适用规格 |
| 阀体 | 球墨铸铁 | 50mm-300mm | 不锈钢416 | 阀杆 | 50mm-300mm |
| 阀板 | 不锈钢CF8 | 50mm-300mm | 丁睛橡胶NBR | 阀座 | 50mm-300mm |
| 密封副材质 | 适用温度 | 介质类型以及适用温度 | 突出特性 | |||||||||||||
| 淡水 | 海水 | 盐类 | 强碱 | 弱碱 | 强酸 | 弱酸 | 天然气 | 酸类 | 空气 | 蒸汽 | 油类 | 食品 | ||||
| 阀座 | 丁睛 | -12C~+85℃ | A | A | A | B | A | D | B | A | C | A | D | A | B | 耐油 |
| 三元乙丙 | -35℃~+135℃ | A | A | A | A | A | C | A | B | B | A | A | C | A | 耐老化 | |
| 耐腐蚀三元乙丙 | -35℃~+160℃ | A | A | A | A | A | A | A | B | B | A | A | C | A | 耐腐蚀、耐老化 | |
| 氟橡胶 | -23℃~+135℃ | A | A | A | C | A | C | A | A | C | A | A | A | A | 耐高温、耐腐蚀 | |
| 聚四氟乙烯 | -10℃~+150℃ | A | A | A | A | A | A | A | A | A | A | A | A | A | 耐高温、耐腐蚀 | |
| 碟板 | 球铁电镀 | -30℃~+350℃ | B | D | C | D | C | D | C | B | A | B | A | A | C | 耐热 |
| 球铁尼龙覆层 | -30℃~+100℃ | A | A | A | A | A | D | A | A | C | A | D | A | A | 抗热、耐磨、减摩 | |
| 铝青铜 | -273℃~+232℃ | A | B | C | D | C | D | B | A | A | A | A | A | C | 耐热、耐腐蚀 | |
| 不锈钢 | -273℃~+316℃ | A | B | C | C | B | C | A | A | A | A | A | A | A | 耐高温、耐腐蚀 | |
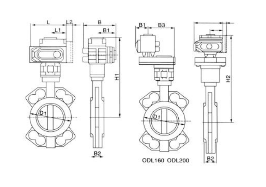
| 通径 | L | L1 | L2 | B | B1 | B2 | H2 | D1 | 执行机构选配(常温常压) | |
| 50 | 161 | 71.5 | 40 | 62 | 42.6 | 297 | 92 | HFa-05 | HFa-05 | HFa-05 |
| 65 | 161 | 71.5 | 40 | 120.5 | 62 | 45.6 | 310 | 106 | HFa-05 | HFa-05 |
| 80 | 161 | 71.5 | 40 | 120.5 | 62 | 45.6 | 331 | 122 | HFa-05 | HFa-05 |
| 100 | 188 | 71.5 | 40 | 120.5 | 62 | 51.6 | 348 | 150 | HFa-10 | HFa-10 |
| 125 | 268 | 81 | 40 | 165 | 75 | 55.6 | 428 | 177 | HFa-16 | HFa-16 |
| 150 | 268 | 117 | 40 | 268 | 119 | 55.6 | 447 | 204 | HFa-16 | HFa-16 |
| 200 | 268 | 117 | 40 | 268 | 119 | 59.6 | 481 | 260 | HFa-25 | HFa-25 |
| 250 | 268 | 117 | 40 | 268 | 119 | 67.6 | 520 | 314 | HFa-50 | HFa-50 |
| 300 | 268 | 117 | 40 | 268 | 119 | 77.6 | 548 | 370 | HFa-50 | HFa-50 |
| 350 | 268 | 117 | 40 | 268 | 119 | 79 | 583 | 422 | HFa-100 | HFa-100 |
| 400 | 268 | 117 | 40 | 268 | 119 | 105 | 615 | 473 | HFa-100 | HFa-100 |
| 450 | 268 | 117 | 40 | 268 | 119 | 112 | 819 | 526 | HFa-200 | HFa-200 |
| 500 | 268 | 117 | 40 | 268 | 119 | 129 | 847 | 577 | HFa-200 | HFa-200 |