
电动硬密封蝶阀D943/D971电动式蝶阀采用先进的J形弹性密封圈和多层次三偏心结构制造拥有操作轻便,磨损量小。广东电动硬密封蝶阀使用时间长的性能。是现在工业管路大量应用的阀门品种。广东电动硬密封蝶阀作为介质温度≤550℃的钢铁、电力、石油工程、及输水工程等工业管路中,用作流体调节和截断管道场合使用。
电动硬密封蝶阀优点
1、使用三偏心密封结构,阀座与阀板摩擦磨损小,使它具有可闭可靠,越关越紧的密封特点
2、密封副使用硬密封不锈钢制造,使其具有金属硬密封和软密封的双重优点,不论在高温和低温的情况下,均有优良的密封性能,拥有防腐蚀性强,使用时间长等特点
3电动硬密封蝶阀、蝶板密封副使用硬质合金堆焊工艺制造,磨损少,使用时间长.
4、阀门生产厂家精密的加工技术确保蝶阀在何种介质等任何工况都使蝶阀具有突出的可靠性。
5、驱动可配手动,或电,气动传动.方式操控。
电动式蝶阀性能参数
|
公称通径 |
DN(mm) |
50~3000 |
||||
|
公称压力 |
PN(MPa) |
0.6 |
1.0 |
1.6 |
2.5 |
4.0 |
|
试验压力 |
强度试验 |
0.9 |
1.5 |
2.4 |
3.75 |
6.0 |
|
密封试验 |
0.66 |
1.1 |
1.76 |
2.75 |
4.4 |
|
|
气密封试验 |
0.6 |
0.6 |
0.6 |
0.6 |
0.6 |
|
|
适用介质 |
水、蒸气、油品、泥浆,酸类,腐蚀性等。 |
|||||
|
驱动方式 |
电动式 |
|||||
|
适用温度 |
碳钢:-29℃~450℃;不锈钢:-40℃~550℃ |
|||||
|
零件名称 |
材料 |
|
阀体 |
碳钢,铸钢,不锈钢、铬钼钢 |
|
蝶板 |
铸钢、、不锈钢、铬钼钢 |
|
密封圈 |
不锈钢、硬密封合金,橡胶,氟橡胶 |
|
阀杆 |
2Cr13、1Cr13不锈钢、铬钼钢 |
|
填料 |
柔性石墨 |
|
设计标准 |
国标系列 |
|
设计标准 |
GB/T12237 |
|
法兰连接尺寸 |
GB/T9113.1-2000;GB/T9115.1-2000; |
|
结构长度 |
GB/T12221-1989 |
|
压力试验 |
GB/T13927-1992;JB/T9092-1999 |
|
公称通径 |
结构长度 |
外形尺寸 |
连接尺寸(标准值) |
|||||||||||||
|
L |
H |
D343H |
PN0.6MPa |
PN1.0MPa |
PN1.6MPa |
|||||||||||
|
毫米 |
英寸 |
法兰 |
对夹 |
H1 |
A1 |
B1 |
D |
D1 |
Z-d |
D |
D1 |
Z-d |
D |
D1 |
Z-d |
|
|
50 |
2 |
108 |
43 |
112 |
350 |
180 |
200 |
140 |
110 |
4-14 |
165 |
125 |
4-18 |
165 |
125 |
4-18 |
|
65 |
21/2 |
112 |
46 |
115 |
370 |
180 |
200 |
160 |
130 |
4-14 |
185 |
145 |
4-18 |
185 |
145 |
4-18 |
|
80 |
3 |
114 |
64 |
120 |
380 |
180 |
200 |
190 |
150 |
4-18 |
200 |
160 |
8-18 |
200 |
160 |
8-18 |
|
100 |
4 |
127 |
64 |
138 |
420 |
180 |
200 |
210 |
170 |
4-18 |
220 |
180 |
8-18 |
220 |
180 |
8-18 |
|
125 |
5 |
140 |
70 |
164 |
460 |
180 |
200 |
240 |
200 |
8-18 |
250 |
210 |
8-18 |
250 |
210 |
8-18 |
|
150 |
6 |
140 |
76 |
175 |
555 |
270 |
280 |
265 |
225 |
8-18 |
285 |
240 |
8-22 |
285 |
240 |
8-22 |
|
200 |
8 |
152 |
89 |
208 |
605 |
270 |
280 |
320 |
280 |
8-18 |
340 |
295 |
8-22 |
340 |
295 |
12-22 |
|
250 |
10 |
165 |
114 |
243 |
680 |
270 |
280 |
375 |
335 |
12-18 |
395 |
350 |
12-22 |
405 |
355 |
12-26 |
|
300 |
12 |
178 |
114 |
283 |
800 |
380 |
420 |
400 |
395 |
12-22 |
445 |
400 |
12-22 |
460 |
410 |
12-26 |
|
350 |
14 |
190 |
127 |
310 |
835 |
380 |
420 |
490 |
445 |
12-22 |
505 |
460 |
16-22 |
520 |
470 |
16-26 |
|
400 |
16 |
216 |
140 |
340 |
915 |
450 |
470 |
540 |
495 |
16-22 |
565 |
515 |
16-26 |
580 |
525 |
16-30 |
|
450 |
18 |
222 |
152 |
380 |
960 |
480 |
490 |
595 |
550 |
16-22 |
615 |
565 |
20-26 |
640 |
585 |
20-30 |
|
500 |
20 |
229 |
152 |
410 |
1020 |
480 |
490 |
645 |
600 |
20-22 |
670 |
620 |
20-26 |
715 |
650 |
20-33 |
|
600 |
24 |
267 |
154 |
470 |
1225 |
480 |
490 |
755 |
705 |
20-26 |
780 |
725 |
20-30 |
840 |
770 |
20-36 |
|
700 |
28 |
292 |
165 |
550 |
1355 |
640 |
660 |
860 |
810 |
24-26 |
895 |
840 |
24-30 |
910 |
840 |
24-36 |
|
800 |
32 |
318 |
190 |
640 |
1470 |
640 |
660 |
975 |
920 |
24-30 |
1015 |
950 |
24-33 |
1025 |
950 |
24-39 |
|
900 |
36 |
330 |
203 |
710 |
1545 |
750 |
860 |
1075 |
1020 |
24-30 |
1115 |
1050 |
28-33 |
1125 |
1050 |
28-39 |
|
1000 |
40 |
410 |
216 |
770 |
1795 |
850 |
900 |
1175 |
1120 |
28-30 |
1230 |
1160 |
28-36 |
1255 |
1170 |
28-42 |
|
1200 |
48 |
470 |
254 |
890 |
1965 |
850 |
900 |
1405 |
1340 |
32-33 |
1455 |
1380 |
32-39 |
1485 |
1390 |
32-48 |
1.我们为您提供专业技术选型,特殊型号定制、产品报价和售后服务,如有任何疑问欢迎来电咨询。我们一直致力于有竞争力的阀门产品和优质的服务。
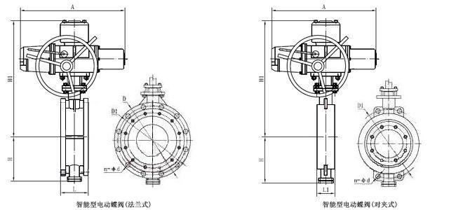
2.本页面提供的电动式蝶阀图片,尺寸仅供参考。实际型号根据使用工况决定。请定购前和我公司工程师沟通确认或提供图纸和详细参数。
3阀门是专业电动式蝶阀厂家为确保您阀门产品的正确使用安装,如需要可以提供产品图纸尺寸和产品说明书。