
二,外观图
|
零 件 名 称 |
1 |
箱体 |
2 |
开度计 |
3 |
电缆夹头 |
4 |
手动部橡胶塞 |
5 |
输出轴 |
6 |
减速盖 |
7 |
电气盖 |
8 |
接线盖 |
9 |
手动操作处 |
三,外观尺寸图
| 机型功能 | HF-5 |
HF-10 |
HF-16 |
HF-25 |
HF-50 |
HF-100 |
HF-200 |
||||
电源 |
AC220 56/60HZ(please explain if need AC24V,AC110V,AC380V,DC24V,DC220V订货请说明) |
||||||||||
力矩 |
50N.M |
100N.M |
160N.M |
250N.M |
500N.M |
1000N.M |
2000N.M |
||||
时间 |
5,10,30 |
5,15,30,60 |
5,15,30,60 |
5,15,30,60 |
5,15,30,60 |
60 |
100 |
||||
电机 |
15W/H |
23W/H |
23W/H |
50W/H |
90W/H |
100W/H |
100W/H |
||||
工作电流 |
0.25A |
0.6A |
0.7A |
0.8A |
1.2A |
1.3A |
1.3A |
||||
重量 |
2.5KG |
3.7KG |
3.7KG |
6.8KG |
8.0KG |
12KG |
12KG |
||||
转动角度 |
0 º~360 º |
0 º ~90 º |
|||||||||
环境温度 |
-30ºC~+60 ºC |
||||||||||
耐压值 |
1500VAC/1分钟 |
||||||||||
防护等级 |
IP-65 |
||||||||||
限位 |
电气机械 |
||||||||||
手动操作 |
附带手柄 |
||||||||||
安装角度 |
任意角度 |
||||||||||
注:时间指从0°~90°形成所需时间
转动角度:指形成的角度可调范围
选装功能:
1.加热除湿器
2.过扭矩保护器
3.4-20mA, 0-10V,1-5V智能调节型
五,电路图
请分开连接电动执行器的动力线路,切勿用同一接点去控制数台电动执行器,一面造成失控和电机过热.
六,安装
●安装场所可以是室内,室外,地下。
●安装注意事项:
▲本产品属非防爆产品,故不能安装在有爆炸性气体的室内。
▲安装在水雾飞溅的场合时,请加防护罩,一面造成渗水而损坏机器。
▲室内安装还应该预留进线,受动操作所需空间。
▲室外安装请加防护罩,减少阳光直射,避免机体内元器件加速老化。
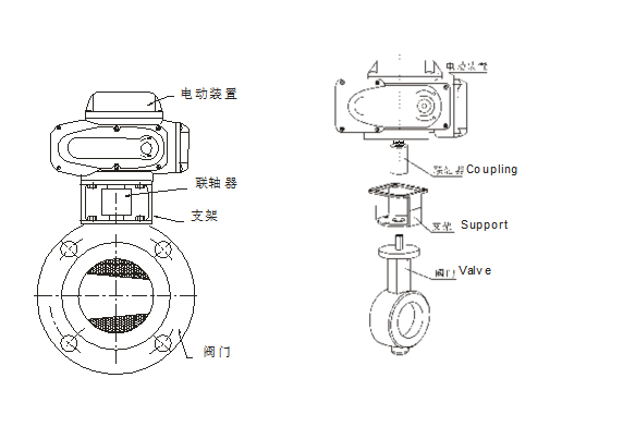
七,连接阀门
1,手动转动阀门,确定阀门正常后将其转动至全关位置;
2,用螺钉将支架轻轻固定在阀门上;
3,将联轴器套在阀杆上;
4,确定执行器状态为全关位置后将其输出轴插入固定于阀杆的联轴器中;
5,用螺丝将执行器固定在支架上(因机械装置不可避免的间隙,偶尔出现螺丝孔位对不齐情况属正常状况,我们只需用手动摇杆稍加转动执行器便可解决此类问题)
6,拧紧各部件螺丝,安装完毕



