
公称通径DN(mm) |
25~400 |
|||||
公称压力PN(MPa) |
1.6~6.4 |
|||||
公称压力Ps(MPa) |
强度试验 |
2.4~9.6 |
||||
密封试验 |
1.76~7.0 |
|||||
材料\代号 |
C |
P |
R |
|||
主要 |
阀体 |
WCB |
ZG1Cr18Ni9Ti |
ZGOCr18Ni12Mo2Ti |
||
球杆 |
2Cr13 |
ZG1Cr18Ni9Ti |
ZG0Cr18Ni12Mo2Ti |
|||
阀杆 |
2Cr13 |
1Cr18Ni9Ti |
0Cr18Ni12Mo2Ti |
|||
密封圈 |
聚四氟乙烯、不锈钢、硬质合金 |
|||||
填料 |
聚四氟乙烯、柔性石墨 |
|||||
适用 |
适用介质 |
水,蒸汽,油品 |
硝酸类 |
醋酸类 |
||
适用温度 |
-28~400℃ |
-28~500℃ |
||||
连接形式 |
对夹式、法兰式,法兰按JB79-59标准 |
|||||
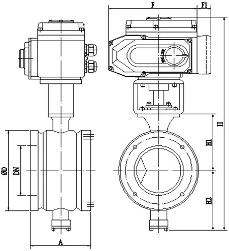
四、安装尺寸
公称通径 |
尺 寸 (mm) |
||||||
A |
ΦD |
H1 |
H2 |
H |
F |
F1 |
|
15 |
62 |
Φ64 |
74 |
75 |
390 |
161 |
40 |
20 |
62 |
Φ64 |
74 |
75 |
390 |
161 |
40 |
25 |
62 |
Φ64 |
74 |
75 |
390 |
161 |
40 |
32 |
62 |
Φ78 |
80 |
75 |
400 |
188 |
40 |
40 |
62 |
Φ82 |
85 |
75 |
405 |
188 |
40 |
50 |
75 |
Φ100 |
87 |
95 |
430 |
188 |
40 |
65 |
80 |
Φ120 |
105 |
115 |
460 |
188 |
40 |
80 |
100 |
Φ131 |
115 |
125 |
520 |
268 |
40 |
100 |
115 |
Φ158 |
125 |
125 |
530 |
268 |
40 |
125 |
130 |
Φ180 |
140 |
155 |
570 |
268 |
40 |
150 |
160 |
Φ216 |
153 |
165 |
600 |
268 |
40 |
200 |
200 |
Φ268 |
200 |
195 |
680 |
268 |
40 |
250 |
240 |
Φ325 |
225 |
225 |
730 |
268 |
40 |