
技术规范
设计依据 | GB标准 | |
设计标准 | GB/12237 | |
结构长度 | 法兰 连接 | GB/12221 |
连接法兰尺寸 | GB/9113、JB/T79 | |
试验和检验 | JB/T9002 | |
※注:系列球阀结构长度及连接法兰尺寸可根据用户要求设计制造
主要零件材质表
序号 | 零件名称 | 材质 | ||
C | D | R | ||
1 | 右阀体 | WCB | ZG1Cr18Ni9Ti | ZG1Cr18Ni12M02Ti |
2 | 34 | 35 | 1Cr18Ni9Ti | 1Cr18Ni9Ti |
3 | 垫片 | PTFE、石墨金属复活垫 | ||
4 | 螺柱 | 35 | 1Cr18Ni9Ti | 1Cr18Ni9Ti |
5 | 阀体 | WCB | ZG1Cr18Ni9Ti | ZG1Cr18Ni12Mo2Ti |
6 | 阀座 | PTFE | PTFE | PTFE |
7 | 球体 | 1Cr18Ni9Ti | 1Cr18Ni9Ti | 1Cr18Ni12Mo2Ti |
8 | 阀杆 | 1Cr13 | 1Cr18Ni9Ti | 1Cr18Ni12Mo2Ti |
9 | 垫片 | PTFE | PTFE | PTFE |
1 | 填料 | PTFE | PTFE | PTFE |
11 | 衬套 | PTFE | PTFE | PTFE |
12 | 压盖 | WCB | ZG1Cr18Ni9Ti | ZG1Cr18Ni12Mo2Ti |
13 | 螺栓 | 35 | 1Cr18Ni9Ti | 1Cr18Ni9Ti |
14 | 螺栓 | 35 | 1Cr18Ni9Ti | 1Cr18Ni9Ti |
15 | 连接支架 | 1Cr18Ni9Ti | 1Cr18Ni9Ti | 1Cr18Ni9Ti |
16 | 螺栓 | 35 | 1Cr18Ni9Ti | 1Cr18Ni9Ti |
17 | 连接套 | 35 | 1Cr18Ni9Ti | 1Cr18Ni9Ti |
18 | 气动装置 |
AT系列、AW系列 |
||
19 | 位置指示器 | 塑料 | 塑料 | 塑料 |
※注:系列球阀主要零部件及密封圈的材质可根据实际工况条件或用户特殊要求设计选用。
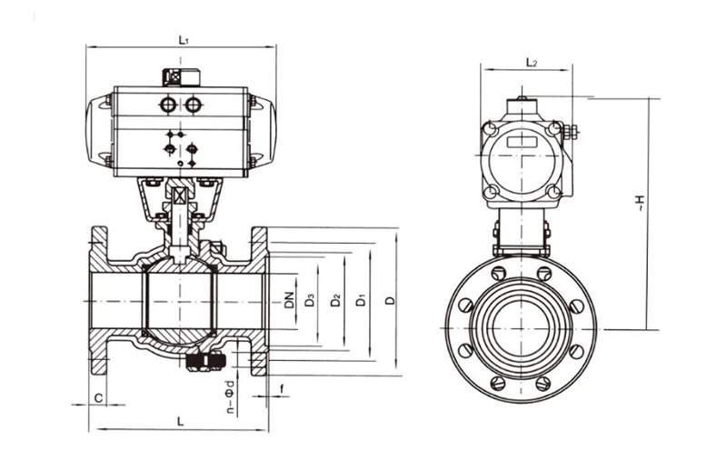
主要外形及连接法兰尺寸HFaQ641(F、N、P)-1.6(1.6Mpa)
| 公称通径 DN | 外形尺寸 | 连接尺寸 | 执行器型号 | ||||||||
| L | L1 | L2 | -H | D | D1 | D2 | C | f | n-φd | ||
| 15 | 130 | 141/159 | 71/83 | 204/235 | 95 | 65 | 46 | 14 | 2 | 4-φ14 | AT050D/AT063S |
| 20 | 140 | 141/159 | 71/83 | 209/240 | 105 | 75 | 56 | 16 | 2 | 4-φ14 | AT050D/AT063S |
| 25 | 150 | 159/211 | 83/95 | 214/256 | 115 | 85 | 65 | 16 | 2 | 4-φ18 | AT050D/AT075S |
| 32 | 165 | 159/248 | 71/83 | 257/277 | 140 | 100 | 76 | 18 | 3 | 4-φ18 | AT063D/AT088S |
| 40 | 180 | 211/248 | 95/107 | 274/292 | 150 | 110 | 84 | 18 | 3 | 4-φ18 | AT075D/AT088S |
| 50 | 200 | 248/269 | 107/123 | 290/300 | 165 | 125 | 99 | 20 | 3 | 4-φ18 | AT088D/AT100S |
| 65 | 220 | 248/315 | 107/141 | 310/335 | 185 | 145 | 118 | 20 | 3 | 4-φ18 | AT088D/AT115S |
| 80 | 250 | 269/245 | 123/152 | 346/368 | 200 | 160 | 132 | 20 | 3 | 8-φ18 | AT100D/AT125S |
| 100 | 280 | 345/409 | 152/172 | 378/410 | 220 | 180 | 156 | 22 | 3 | 8-φ18 | AT125D/AT145S |
| 125 | 320 | 409/550 | 172/215 | 425/450 | 250 | 210 | 184 | 22 | 3 | 8-φ18 | AT145D/AT190S |
| 150 | 360 | 550/600 | 215/240 | 465/531 | 285 | 240 | 211 | 24 | 3 | 8-φ22 | AT190D/AT210S |
| 200 | 400 | 600/663 | 245/262 | 583/618 | 340 | 295 | 266 | 24 | 3 | 4-φ22 | AT210D/AT240S |
※注:系列球阀结构长度及连接法兰尺寸可根据JB/T79标准或用户要求设计制造。
※注:数据×××/×××分别是气动执行器双作用式,单作用式(弹簧复位)。
※注:根据不同阀门扭矩、使用介质适配的执行器型号可能有所不同,相关尺寸随之变化。