

技术规范
设计依据 |
GB标准 |
ANSI标准 |
设计标准 |
GB/12237 |
ANSIB16.34 |
连接尺寸 |
GB/9113、JB/T79 |
ANSIB16.5 |
试验和检验 |
JB/T9002 |
API598 |
主要零件材质表
序号 |
零件名称 |
材质 |
1 |
接头 |
不锈钢 CF8、CF8M |
2 |
阀座 |
PTFE |
3 |
球体 |
不锈钢 304、316 |
4 |
垫片 |
PTFE |
5 |
阀体 |
不锈钢 CF8、CF8M |
6 |
螺栓 |
不锈钢 304 |
7 |
阀杆 |
不锈钢 304、316 |
8 |
垫片 |
PTFE |
9 |
填料 |
PTFE |
10 |
压盖 |
不锈钢 304、316 |
11 |
连接支架 |
不锈钢 CF8 |
12 |
连接套 |
不锈钢 304 |
13 |
螺栓 |
不锈钢 304 |
14 |
气动装置 |
|
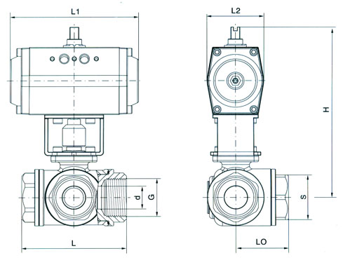
主要外形及连接尺寸 Q61(4、5)(F、N、P)-16-64
通径 |
外形连接尺寸 |
执行器型号 |
||||||||
DN |
in |
d |
G |
L |
L0 |
L1 |
L2 |
H |
S |
|
15 |
1/2 |
10 |
1/2″ |
68 |
34 |
140/178 |
62/75 |
130/136 |
26 |
GTD52/GTE65 |
20 |
3/4 |
15 |
3/4″ |
78 |
39 |
140/178 |
62/75 |
135/141 |
32 |
GTD52/GTE65 |
25 |
1 |
20 |
1″ |
86 |
43 |
140/214 |
62/91 |
139/173 |
38 |
GTD52/GTE80 |
32 |
11/4 |
25 |
11/4″ |
111 |
55.5 |
164/214 |
75/91 |
158/186 |
49 |
GTD65/GTE80 |
40 |
11/2 |
32 |
11/2″ |
126 |
63 |
164/246 |
75/101 |
165/203 |
56 |
GTD65/GTE90 |
50 |
2 |
38 |
2″ |
143 |
71.5 |
190/295 |
91/112 |
202/228 |
70 |
GTD80/GTE100 |
65 |
21/2 |
|
|
|
|
|
|
|
|
|
80 |
3 |
|
|
|
|
|
|
|
|
|