
阀门技术参数
产品概述 电动三片式球阀采用一体化结构,与HFa电动执行机构相配,有输入控制信号(4-20mADC或0-10VDC)及单相电源即可控制运转,具有功能强、体积小、轻便宜人、性能可靠、配套简单、流通能力大、特别适合于介质是粘稠,含颗粒,纤维性质的场合。目前该阀广泛应用于食品、环保、轻工、石油、造纸、化工、教学和科研设备、电力等行业的工业自动控制系统中。
产品特点 内螺纹连接球阀及对焊连接球阀分为整体式(一片式、两段式及三段式。阀体铸造采用日本引进的先进工艺,结构合理、造型美观。阀座采用弹性密封结构,密封可靠,启闭轻松。阀杆采用有倒密封的下装式结构,阀腔异常升压时,阀杆不会被冲出。二片式、三片式球阀连接形式 另有对焊(BW)承插焊(SW)并均可带国际标准I50支架平台和锁定装置。可设置90°开关定位机构,根据需要加锁以防止误操作。
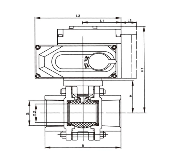
| G | D | B | H1 | H | L1 | L2 | L3 | 执行机构选配 |
| 1/4" | 11.2 | 60 | 148 | 42 | 50 | 40 | 123 | HFa-05 |
| 3/8" | 12.5 | 60 | 148 | 42 | 50 | 40 | 123 | HFa-05 |
| 1/2" | 15 | 72 | 148 | 42 | 50 | 40 | 123 | HFa-05 |
| 3/4" | 20 | 82 | 148 | 48.5 | 50 | 40 | 123 | HFa-05 |
| 1" | 25 | 90 | 164 | 58.5 | 50 | 40 | 123 | HFa-05 |
| 1-1/4" | 32 | 112 | 184 | 63 | 65 | 40 | 160 | HFa-05 |
| 1-1/2" | 38 | 120 | 195 | 71 | 65 | 40 | 160 | HFa-05 |
| 2 | 50 | 145 | 197.1 | 78 | 82 | 40 | 189 | HFa-10 |
| 2-1/2" | 65 | 185 | 222.5 | 100 | 82 | 40 | 189 | HFa-16 |
| 3" | 76 | 210 | 233 | 109 | 82 | 40 | 189 | HFa-25 |
| 4" | 100 | 268 | 241 | 140 | 116 | 40 | 266 | HFa-50 |